Жаротрубные теплообменники







  Теплообменники предназначены для передачи части тепла от выхлопных газов теплогенератора (печки) к теплоносителю.

  В качестве теплогенератора может быть любая печь, на любом виде топлива.В качестве теплоносителя вода или антифриз.

  Универсальные теплообменники МЖТТ-20 и МЖТТ-40 адаптированы к автономным отопителям MULTEAT, но могут применяться и с другими устройствами.Теплообменник целеснообразно использовать при отоплении раздельных помещений. Важно понимать, что при нагреве теплоносителя температура выхлопных газов снижается и как следствие падает тяга, что снижает интенсивность горения. При необходимости усилить тягу нужно удлинить и утеплить выхлопную трубу или установить дымосос.
Если помещение в котором расположен теплообменник не нуждается в дополнительном тепле то целесообразно экранировать источник тепла и теплоизолировать сам теплообменник.

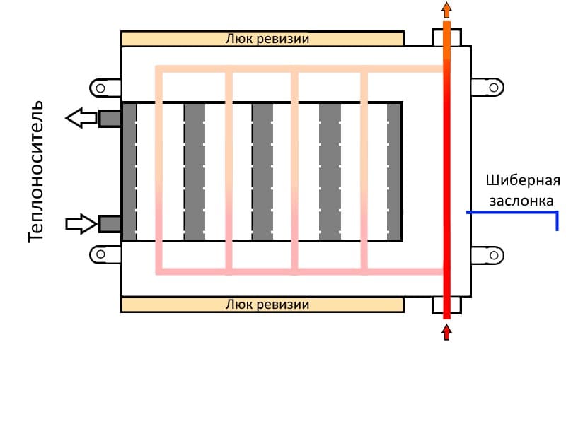
  У теплообменников МЖТТ-20 и МЖТТ-40 два основных режима работы: (см. рисунок)

- при открытой шиберной заслонке, горячие газы почти полностью проходят от входа к выходу. Небольшая часть проходит через жаровые трубы, а так же греет стенку теплообменника,
- при закрытой шиберной заслонке все газы проходят через жаровые трубы,
- при частично закрытой заслонке газы распределяются.

  Регулировка мощности теплогенератора (печки) производится штатными мерами. При работе на низких мощностях неизбежно появление конденсата, стекающего в дренажную трубку, расположенную на нижнем люке ревизии.




MULTEAT МЖТТ-20
Гарантия 2 года
Под заказ




MULTEAT МЖТТ-40
Гарантия 2 года
Под заказ